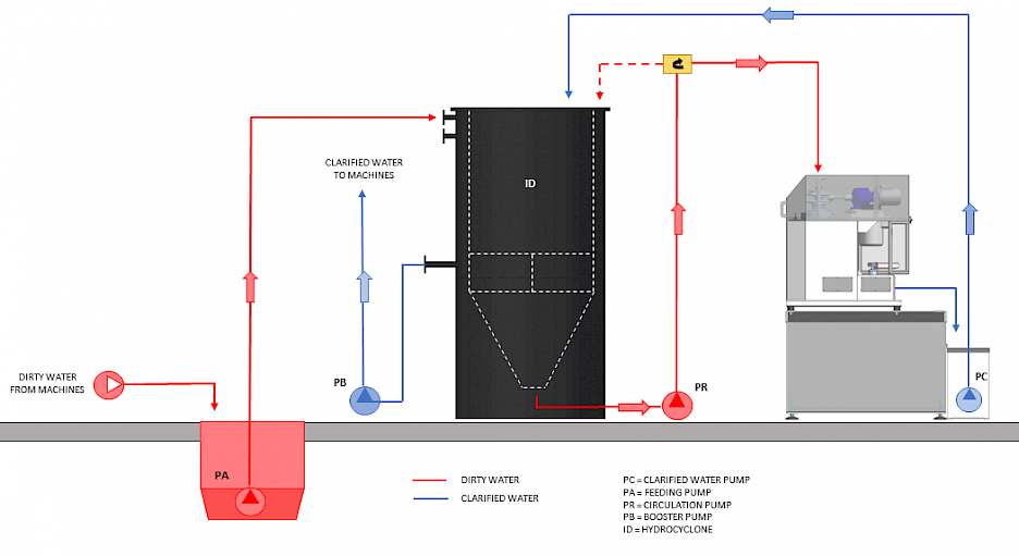
Designed for treatment of water containing glass powder fines and contaminants occurring during processing. The centrifuge is suitable for recycling and treating water from cutting, grinding and edging.
The solids in the water (glass particles, silica, diamond wheel components, polishing compounds) are separated by continuously pumping the water into the rotating cylinder, which generates a centrifugal force, causing the 'solids' to form on the sidewalls of the cylinder while the clean water is naturally pushed out through the upper cylinder section and back into the system.
View Brochure
Innovative Flat Glass Solutions
Require a quote? Need to speak to us?
- Call: 00 44 (0)1359 256143
- sales@flatglasssolutions.com





